获取短信验证码
按照型号搜索
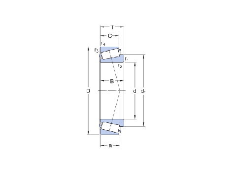
产品分类
按照尺寸搜索
精确查询
范围查询
( 101.6 )mm
( 111.125 )mm
( 114.3 )mm
( 120.65 )mm
( 133.35 )mm
( 152.4 )mm
( 212.725 )mm
( 214.312 )mm
( 234.95 )mm
( 254 )mm
( 273.05 )mm
( 55.562 )mm
( 63.5 )mm
( 66.675 )mm
( 77.788 )mm
( 82.55 )mm
| PDF 下载 |
询价 | 型号 | 主要尺寸 | 额定载荷(KN) | 极限转速(rpm) | 重量(kg) | ||||||
|---|---|---|---|---|---|---|---|---|---|---|---|---|
| 内径(d) | 外径(D) | 装配高(T) | 内图宽(B) | 外图宽(C) | Cr | Cor | 脂润滑 | 油润滑 | ||||